Прижим WOODWORK с высокой базой и горизонтальной ручкой, усилие 90кг. GH-201-BHB представляет собой механический инструмент. Применяется с целью быстрой фиксации обрабатываемой детали.
Прижим препятствуют смещению заготовки под действием возникающих при обработке сил. Состоит из плоской прорезиненной рукояти, зажимной штанги, базы, прижимного болта и системы «осей и рычагов».
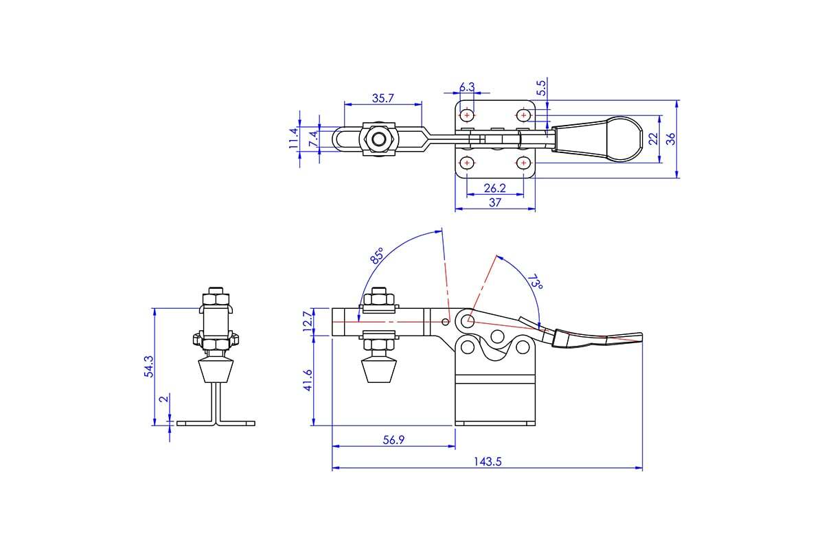
Дополнительные характеристики:
- угол наклона штанги 85°
- угол наклона ручки 73°
- усилие зажима 90 кг
- вылет штанги (L) 56,9 мм
- база (H) 41,6 мм
- вес 130 г
Комплектация
- Прижим
Информация об упаковке
Единица товара: Штука
Вес, кг: 0.152
Длина, мм: 105
Ширина, мм: 65
Высота, мм: 40
